防雷装置安全检测技术规范 DB31/T 389—2015
- 制定机关:上海市质量技术监督局
- 公布日期:2015-06-15
- 法规文号/标准号:DB31/T 389—2015
- 施行日期:2015-10-01
防雷装置安全检测技术规范 DB31/T 389—2015-环安宝@法规宝
(资料性附录)
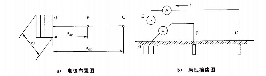
三极法工频接地电阻的测试
B.1三极法(电位降法)工频接地电阻的测试
三极法的三极是指图B.1上的被测接地装置G,测量用的电压极P和电流极C。图中测量用的电 流极C和电压极P离被测接地装置G边缘的距离为dGc = 4D〜5D和dGP = 0.5dGcc~0.6dGc,D为被测接地装置的最大对角线长度,点P可以认为是处在实际的零电位区内。为了较准确地找到实际零电位区时,可把电压极沿测量用电流极与被测接地装置之间连接线方向移动3次,每次移动的距离约为dGc的5%,测量电压极P与接地装置G之间的电压。如果电压表的3次指示值之间的相对误差不超过 5%,则可以把中间位置作为测量用电压极的位置。

G——被测接地装置;
P——测量用的电压极;
C——测量用的电流极;
E——测量用的工频电源;
A ——交流电流表;
V ——交流电压表;
D——被测接地装置的最大对角线长度。
图B.1三极法的原理接线图
把电压表和电流表的指示值UG和I代入式= UG/I中去,得到被测接地装置的工频接地电阻RG。 在测量工频接地电阻时,如dGc取4D-5D值有困难,当接地装置周围的土壤电阻率较均匀时,dGc可以取2D值,而dGP取D值;当接地装置周围的土壤电阻率不均匀时,dGc可以取3D值,dGP值取1.7D值。
B.2 工频接地电阻的测量应注意以下几个方面
B.2.1 当被测接地装置的面积较大而土壤电阻率不均匀时,为了得到较可信的测试结果,宜将电流极 与被测接地装置的距离增大,同时电压极与被测接地装置的距离也相应地增大。
B.2.2 使用接地电阻表(仪)进行接地电阻值测量时,应按仪器使用说明书进行操作。附录C提供了部分仪表的主要性能技术参数。
B.2.3 当引下线暗敷且未设断接卡而与接地装置直接连接时,可在引下线与接地装置不断开的情况下对防雷装置电气通路和工频接地电阻值进行检测。其检测方法是:
a) 当被测建筑物是用多根暗敷引下线接至接地装置时,应根据建筑物防雷类别所规定的引下线 间距(一类12 m、二类18 m、三类25 m)在建筑物顶面敷设的避雷带上选择检测点,每一检测 点作为待测接地极E',由E'将连接导线引至接地电阻仪,然后按仪器说明书的使用方法测试。
b) 当接地极E'和电流极C之间的距离大于40 m时,电位极P的位置可插在E'、C连线中间附 近,其距离误差允许范围为10 m,此时仅考虑仪表的灵敏度。当E'和C之间的距离小于40 m 时,则应将电位极P插于E'与C的中间位置。
B.2.4 三极(E'、P、C)应在一条直线上且应垂直于地网,应避免平行布置。
B.2.5 在测量过程中由于杂散电流、高频干扰、工频干扰等因素,使接地电阻表出现读数不稳定时,可将E极连线改成屏蔽线(屏蔽层下端应单独接地),或选用能够改变测试频率、釆用具有选频放大器或窄带滤波器的接地电阻表检测,以提高其抗干扰的能力。
B.2.6 当地网带电影响检测时,应查明地网带电原因,在解决带电问题之后测量。
B.2.7 E级连接线长度一般小于5 m。当需要加长时,应将实测接地电阻值减去加长线工频阻值。
B.2.8 首次检测时,在测试接地电阻值符合设计要求的情况下,可通过查阅防雷装置工程竣工图纸,施 工安装技术记录等资料,将接地装置的形式、包围的面积、接地体金属表面积、材料、规格、焊接、埋设深 度、位置等资料填入防雷装置原始记录表。
B.3 造成接地电阻测量不准确的原因
B.3.1 地网周围土壤构成不一致,结构不紧密,干湿程度不同,具有分散性。地表面有杂散电流,架空地线、地下水管、电缆外皮等对测试影响特别大。解决的方法是取不同的点进行测试,取平均值。从理 论上讲,搞清土壤结构是准确测量接地电阻的前提。
B.3.2 测试线方向不对,距离不够长。解决的方法是找准测试方向和距离。
B.3.3 辅助接地极电阻过大。解决的方法是在地桩处泼水或使用降阻剂降低电流极的接触电阻。
B.3.4 测试夹与电极间的接触电阻过大。
B.3.5 干扰影响。解决的方法,调整放线,尽量避开干扰大的方向。
- 上一节: {{previousInfo.title}} 没有了
- 下一节: {{nextInfo.title}} 没有了