关键字: 个
危险货物分类和品名编号 GB 6944-2012(2025-10-1起被代替)
- 制定机关:中华人民共和国国家质量监督检验检疫总局、中国国家标准化管理委员会
- 公布日期:2012-05-11
- 法规文号/标准号:GB 6944-2012
- 施行日期:2012-12-01
危险货物分类和品名编号 GB 6944-2012(2025-10-1起被代替)-环安宝@法规宝
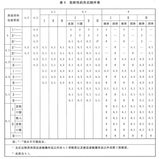
5.1 当一种物质、混合物或溶液有一种以上危险性,而其名称又未列入《规章范本》第3.2章“危险货物一览表”内时,其危险性的先后顺序按表6确定。

5.2 对于具有多种危险性而在《规章范本》第3.2章“危险货物一览表"中没有具体列出名称的货物,不论其在表6中危险性的先后顺序如何,其有关危险性的最严格包装类别优先于其他包装类别。
5.3 下列物质和物品的危险性总是处于优先地位,其危险性的先后顺序没有列入表6:
a) 第1类物质和物品;
b) 第2类气体;
c) 第3类液态退敏爆炸品;
d) 1项自反应物质和固态退敏爆炸品;
e) 2项发火物质;
f) 2项物质;
g) 具有Ⅰ类包装吸入毒性的1项物质;
h) 2项物质;
i) 第7类物质。
5.4 具有其他危险性质的放射性物质,无论在什么情况下都应划入第7类,并确认次要危险性(例外货包中的放射性物质除外)。
- 上一节: {{previousInfo.title}} 没有了
- 下一节: {{nextInfo.title}} 没有了